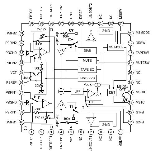
Features: • Few external parts• Small package (40-pin QFP)• Same pin configuration as for the Dolby B-C type NR system (CXA2561Q) and Dolby B type NR system (CXA2560Q)• Playback equalizer amplifier and music sensor into a single chip• FORWARD/REVERSE head select switc...
CXA2559Q: Features: • Few external parts• Small package (40-pin QFP)• Same pin configuration as for the Dolby B-C type NR system (CXA2561Q) and Dolby B type NR system (CXA2560Q)• Playb...
SeekIC Buyer Protection PLUS - newly updated for 2013!
268 Transactions
All payment methods are secure and covered by SeekIC Buyer Protection PLUS.

The CXA2559Q is an IC designed for use in car stereo cassette decks. Functions include playback equalizer amplifier and music sensor into a single chip.