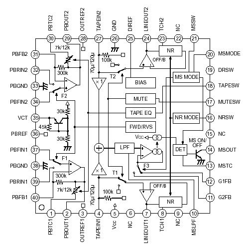
Features: • Few external parts• Small package (40-pin QFP)• Same pin configuration as for the Dolby B-C type NR system (CXA2561Q) and no Dolby NR system (CXA2559Q)• Dolby B type NR and playback equalizer amplifier into a single chip• FORWARD/REVERSE head select switch...
CXA2560Q: Features: • Few external parts• Small package (40-pin QFP)• Same pin configuration as for the Dolby B-C type NR system (CXA2561Q) and no Dolby NR system (CXA2559Q)• Dolby B t...
SeekIC Buyer Protection PLUS - newly updated for 2013!
268 Transactions
All payment methods are secure and covered by SeekIC Buyer Protection PLUS.

The CXA2560Q is an IC designed for use in car stereo cassette decks. Functions include Dolby B type noise reduction (NR) system, playback equalizer amplifier and music sensor into a single chip.