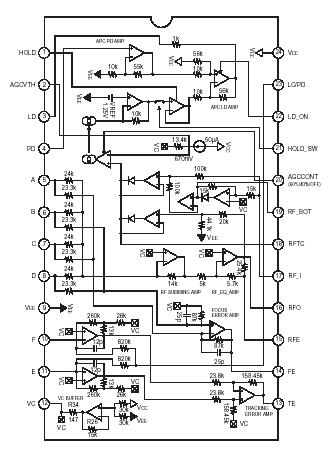
Features: • Low power consumption (50 mW at ±2.5 V)• High-band RF amplifier• APC circuit• RF level control circuit (Hold circuit included)• Both single power supply and dual power supply operations possible.• Compatible with pickup for LC and PDApplication·Compa...
CXA2596M: Features: • Low power consumption (50 mW at ±2.5 V)• High-band RF amplifier• APC circuit• RF level control circuit (Hold circuit included)• Both single power supply and...
SeekIC Buyer Protection PLUS - newly updated for 2013!
268 Transactions
All payment methods are secure and covered by SeekIC Buyer Protection PLUS.

The CXA2596M is an IC developed for compact disc players. This IC incorporates an RF amplifier, focus error amplifier, tracking error amplifier, APC circuit and RF level control circuit. (The voltageconverted optical pickup output is supported.)