Features: • CD write channel maximum drive current: 300mA (VCC = 3V, VCC_LD = 4.5V, VOP = 2.5V)• CD total maximum drive current: 370mA (VCC = 3.3V, VCC_LD = 5V, VOP = 2.5V)• DVD write channel maximum drive current: 270mA (VCC = 3V, VCC_LD = 4.5V, VOP = 3V)• DVD total maximu...
CXA2697ER: Features: • CD write channel maximum drive current: 300mA (VCC = 3V, VCC_LD = 4.5V, VOP = 2.5V)• CD total maximum drive current: 370mA (VCC = 3.3V, VCC_LD = 5V, VOP = 2.5V)• DVD wr...
SeekIC Buyer Protection PLUS - newly updated for 2013!
268 Transactions
All payment methods are secure and covered by SeekIC Buyer Protection PLUS.
• CD write channel maximum drive current: 300mA
(VCC = 3V, VCC_LD = 4.5V, VOP = 2.5V)
• CD total maximum drive current: 370mA
(VCC = 3.3V, VCC_LD = 5V, VOP = 2.5V)
• DVD write channel maximum drive current: 270mA
(VCC = 3V, VCC_LD = 4.5V, VOP = 3V)
• DVD total maximum drive current: 360mA
(VCC = 3.3V, VCC_LD = 5V, VOP = 3V)
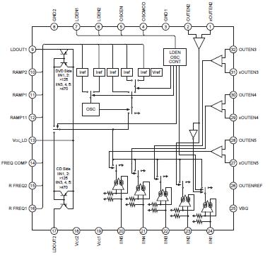
• Capable of generating five-value recording waveform through control of five channels
• Rise/Fall times = 1ns
• Read Channel: *125
• Write Channel: *470
• Read Channel has extensive low-noise design
1.5nA/Hz (@20MHz, ILD = 35mA, Imod = 20mAp-p)
• High frequency modulator circuit
• Frequency variable range: 200 to 600MHz
• Modulator amplitude can be set separately for CD and DVD.
• DVD modulator amplitude switching function
• Timing input for generating recording waveform can be adapted to both differential input (LVDS) and single-end input (3.3V CMOS/TTL).
CD-R, CD-RW, DVD-R, DVD-RW, DVD+R/RW,DVD-ROM and DVD-RAM for high-speed writable optical disc drives

The CXA2697ER is a laser driver IC corresponded to DVD ×12 and capable of driving two high output lasers (CD/DVD) for writable optical discs.