Features: Wide Bandwidth: 500 MHzLow Crosstalk: 85 dBHigh Off-Isolation: 80 dB @ 5 MHz T Switch ConfigurationTTL Logic CompatibleFast Switching-tON: 45 nsLow rDS(on): 30ApplicationRF and Video SwitchingRGB SwitchingLocal and Wide Area NetworksVideo RoutingFast Data AcquisitionATERadar/FLR Systems...
DG541: Features: Wide Bandwidth: 500 MHzLow Crosstalk: 85 dBHigh Off-Isolation: 80 dB @ 5 MHz T Switch ConfigurationTTL Logic CompatibleFast Switching-tON: 45 nsLow rDS(on): 30ApplicationRF and Video Swit...
SeekIC Buyer Protection PLUS - newly updated for 2013!
268 Transactions
All payment methods are secure and covered by SeekIC Buyer Protection PLUS.


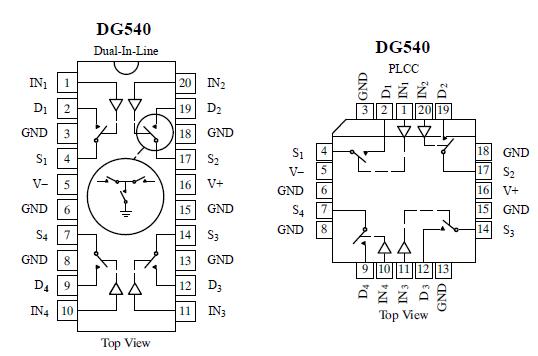
The DG540/DG541/542 are high performance monolithic wideband/video switches designed for switching RF, video
and digital signals. By utilizing a "T" switch configuration on each channel, these devices achieve exceptionally low crosstalk and high off-isolation. The crosstalk and off-isolation of the DG540 are further improved by the introduction of extra GND pins between signal pins.
To achieve TTL compatibility, low channel capacitances and fast switching times, the DG540/DG541/542 family is built on the Siliconix proprietary D/CMOS process. Each switch conducts equally well in both directions when on.