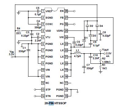
Features: • Integrated synchronous MOSFETs and current mode controller• 4A continuous output current• Up to 95% efficiency• Internal patented current sense• Cycle-by-cycle current limit• 3V to 3.6V input voltage• Adjustable output voltage 1V to 2.5V•...
EL7563: Features: • Integrated synchronous MOSFETs and current mode controller• 4A continuous output current• Up to 95% efficiency• Internal patented current sense• Cycle-by-cy...
SeekIC Buyer Protection PLUS - newly updated for 2013!
268 Transactions
All payment methods are secure and covered by SeekIC Buyer Protection PLUS.

