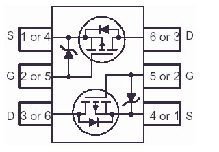
MOSFET Dual PCh Digital
SeekIC Buyer Protection PLUS - newly updated for 2013!
268 Transactions
All payment methods are secure and covered by SeekIC Buyer Protection PLUS.
| Transistor Polarity : | P-Channel | Drain-Source Breakdown Voltage : | - 20 V | ||
| Gate-Source Breakdown Voltage : | +/- 12 V | Continuous Drain Current : | 0.5 A | ||
| Resistance Drain-Source RDS (on) : | 780 mOhms | Configuration : | Dual | ||
| Maximum Operating Temperature : | + 150 C | Mounting Style : | SMD/SMT | ||
| Package / Case : | SC-70-6 | Packaging : | Reel |

|
Symbol |
Parameter |
Ratings |
Units |
|
VDSS VGSS |
Drain-Source Voltage Gate-Source Voltage |
-20 ±12 -0.5 -0.3 Figure 4 0.3 2.4 -55 to 150 1.4 |
V V A A W mW/oC oC kV |
|
ID |
Drain Current Continuous (TC = 25oC, VGS = - 4.5V) Continuous (TC = 100oC, VGS = - 2.5V) Pulsed | ||
|
PD |
Power dissipation Derate above 25°C | ||
|
TJ, TSTG |
Operating and Storage Junction Temperature Range | ||
|
ESD |
Electrostatic Discharge Rating MIL-STD-883D Human Body Model ( 100pF / 1500Ω ) |
These FDG6318PZ dual P-Channel logic level enhancement mode MOSFET are produced using Fairchild Semiconductor's especially tailored to minimize on-state resistance. This device has been designed especially for bipolar digital transistors and small signal MOSFETS
| Technical/Catalog Information | FDG6318PZ |
| Vendor | Fairchild Semiconductor |
| Category | Discrete Semiconductor Products |
| Mounting Type | Surface Mount |
| FET Polarity | 2 P-Channel (Dual) |
| Drain to Source Voltage (Vdss) | 20V |
| Current - Continuous Drain (Id) @ 25° C | 500mA |
| Rds On (Max) @ Id, Vgs | 780 mOhm @ 500mA, 4.5V |
| Input Capacitance (Ciss) @ Vds | 85.4pF @ 10V |
| Power - Max | 300mW |
| Packaging | Tape & Reel (TR) |
| Gate Charge (Qg) @ Vgs | 1.62nC @ 4.5V |
| Package / Case | SC-70-6, SC-88, SOT-323-6, SOT-363 |
| FET Feature | Logic Level Gate |
| Lead Free Status | Lead Free |
| RoHS Status | RoHS Compliant |
| Other Names | FDG6318PZ FDG6318PZ |