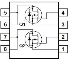
MOSFET SO-8
SeekIC Buyer Protection PLUS - newly updated for 2013!
268 Transactions
All payment methods are secure and covered by SeekIC Buyer Protection PLUS.
| Transistor Polarity : | N-Channel | Drain-Source Breakdown Voltage : | 80 V | ||
| Gate-Source Breakdown Voltage : | +/- 20 V | Continuous Drain Current : | 3.4 A | ||
| Resistance Drain-Source RDS (on) : | 0.074 Ohms | Configuration : | Dual Dual Drain | ||
| Maximum Operating Temperature : | + 175 C | Mounting Style : | SMD/SMT | ||
| Package / Case : | SOIC-8 Narrow | Packaging : | Reel |

|
Symbol |
Parameter |
Ratings |
Units |
|
VDSS |
Drain-Source Voltage |
80 |
V |
|
VGSS |
Gate-Source Voltage |
+20 |
V |
|
ID |
Draint Current - Continuous (Note 1) |
20 |
A |
|
- Pulsed |
2 | ||
|
PD |
Maximum Power Dissipation (Note 1a) |
1.6 |
W |
|
(Note 1b) |
1.0 | ||
|
(Note 1c) |
0.9 | ||
|
TJ, TSTG |
Operating and Storage Junction Temperature Range |
55 to +175 |
°C |
This FDS3812 N-Channel MOSFET has been designed specifically to improve the overall efficiency of DC/DC converters using either synchronous or conventional switching PWM controllers.
These MOSFETs FDS3812 feature faster switching and lower gate charge than other MOSFETs with comparable RDS(ON) specifications. The result is a MOSFET that is easy and safer to drive (even at very high frequencies), and DC/DC power supply designs with higher overall efficiency.
| Technical/Catalog Information | FDS3812 |
| Vendor | Fairchild Semiconductor |
| Category | Discrete Semiconductor Products |
| Mounting Type | Surface Mount |
| FET Polarity | 2 N-Channel (Dual) |
| Drain to Source Voltage (Vdss) | 80V |
| Current - Continuous Drain (Id) @ 25° C | 3.4A |
| Rds On (Max) @ Id, Vgs | 74 mOhm @ 3.4A, 10V |
| Input Capacitance (Ciss) @ Vds | 634pF @ 40V |
| Power - Max | 900mW |
| Packaging | Tape & Reel (TR) |
| Gate Charge (Qg) @ Vgs | 18nC @ 10V |
| Package / Case | 8-SOIC |
| FET Feature | Logic Level Gate |
| Lead Free Status | Lead Free |
| RoHS Status | RoHS Compliant |
| Other Names | FDS3812 FDS3812 |