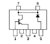
Features: · Composite type with a PNP transistor and a Shottky barrier diode contained in one package, facilitating high-density mounting.· The FP108 is formed with 2 chips, one being equivalent to the 2SB1121 and the other the SB01- 015CP, placed in one package.PinoutSpecifications Parameter...
FP108: Features: · Composite type with a PNP transistor and a Shottky barrier diode contained in one package, facilitating high-density mounting.· The FP108 is formed with 2 chips, one being equivalent to ...
SeekIC Buyer Protection PLUS - newly updated for 2013!
268 Transactions
All payment methods are secure and covered by SeekIC Buyer Protection PLUS.

| Parameter |
Symbo |
Conditions |
Ratings |
Unit |
| [TR] | ||||
| Collector-to-Base Voltage |
VCBO |
-30 |
V | |
| Collector-to-Emitter Votage |
VCEO |
-25 |
V | |
| Emitter-to-Base Voltage |
VEBO |
-6 |
V | |
| collector current |
IC |
-2 |
A | |
| Collector Current(Pulse) |
ICP |
-5 |
A | |
| Base current |
IB |
-400 |
mA | |
| Collector Dissipation |
PC |
Mounted on ceramic board 250mm2´0.8mm) |
1.3 |
W |
| Junction Temperature |
TJ |
150 |
°C | |
| [SBD] | ||||
| Repetitive Peak Reverse Volatage |
VRRM |
15 |
V | |
| Non-repetitive Peak Reverse Surge Voltage |
VRSM |
17 |
V | |
| Average-rectified Current |
IO |
1 |
A | |
| Surge Forward Current |
IFSM |
50HZ sine wav,1cycle |
8 |
A |
| Junction Temperature |
Tj |
-55to+125 |
°C | |
| Storage Temperature |
Tstg |
-55to+125 |
°C | |