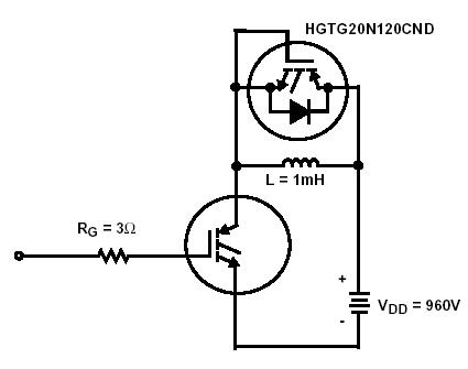
Features: • 63A, 1200V, TC = 25• 1200V Switching SOA Capability• Typical Fall Time. . . . . . . . . . . . . . . . 340ns at TJ = 150• Short Circuit Rating• Low Conduction Loss• Avalanche Rated• Temperature Compensating SABER™ ModelPinoutSpecifications...
HGTG20N120CN: Features: • 63A, 1200V, TC = 25• 1200V Switching SOA Capability• Typical Fall Time. . . . . . . . . . . . . . . . 340ns at TJ = 150• Short Circuit Rating• Low Conductio...
SeekIC Buyer Protection PLUS - newly updated for 2013!
268 Transactions
All payment methods are secure and covered by SeekIC Buyer Protection PLUS.
Features: • 35A, 1200V, TC = 25• 1200V Switching SOA Capability• Typical Fall Ti...
