Features: • 30A, 1200V• Latch Free Operation• Typical Fall Time - 580ns• High Input Impedance• Low Conduction LossPinoutSpecificationsCollector-Emitter Voltage . . . . . . . . . . . . . . . . . . . . . . . . . . . . . . . . . . . . . . BVCES 1200 VCollector-Gate Volta...
HGTG30N120D2: Features: • 30A, 1200V• Latch Free Operation• Typical Fall Time - 580ns• High Input Impedance• Low Conduction LossPinoutSpecificationsCollector-Emitter Voltage . . . . ...
SeekIC Buyer Protection PLUS - newly updated for 2013!
268 Transactions
All payment methods are secure and covered by SeekIC Buyer Protection PLUS.
Features: • 35A, 1200V, TC = 25• 1200V Switching SOA Capability• Typical Fall Ti...
US $1.71 - 2.31 / Piece
IGBT Transistors 43A 1200V NCh w/Anti Parallel Hyprfst Dde

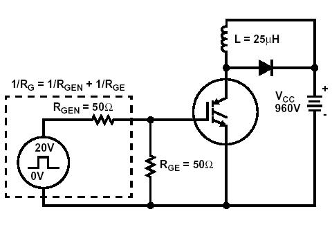
The HGTG30N120D2 is a MOS gated high voltage switching device combining the best features of MOSFETs and bipolar transistors. The device has the high input impedance of a MOSFET and the low on-state conduction loss of a bipolar transistor. The much lower on-state voltage drop varies only moderately between +25 and +150.
The HGTG30N120D2 IGBTs are ideal for many high voltage switching applications operating at moderate frequencies where low conduction losses are essential, such as: AC and DC motor controls, power supplies and drivers for solenoids, relays and contactors.