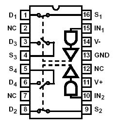
Features: • Analog Signal Range (±15V Supplies) . . . . . . . . . . . ±15V• Low Leakage . . . . . . . . . . . . . . . . . . . . . . . . . . . . . . 40pA• Low On Resistance . . . . . . . . . . . . . . . . . . . . . . . . . . 35W• Break-Before-Make Delay . . . . . . . . . . ....
HI-390: Features: • Analog Signal Range (±15V Supplies) . . . . . . . . . . . ±15V• Low Leakage . . . . . . . . . . . . . . . . . . . . . . . . . . . . . . 40pA• Low On Resistance . . . . ...
SeekIC Buyer Protection PLUS - newly updated for 2013!
268 Transactions
All payment methods are secure and covered by SeekIC Buyer Protection PLUS.
