Features: Bandwidth: DC - 2 GHzLow Insertion Loss: 5 dB31dB Attenuation RangeFast Switching: 6 nSPinoutSpecificationsControl Voltage Range.............. +0.5 to -8.5 VdcStorage Temperature ..............-65 to +150 deg COperating Temperature .............-55 to +125 deg CRF Input Power (0.5 - 4 GH...
HMC110G16: Features: Bandwidth: DC - 2 GHzLow Insertion Loss: 5 dB31dB Attenuation RangeFast Switching: 6 nSPinoutSpecificationsControl Voltage Range.............. +0.5 to -8.5 VdcStorage Temperature ............
SeekIC Buyer Protection PLUS - newly updated for 2013!
268 Transactions
All payment methods are secure and covered by SeekIC Buyer Protection PLUS.

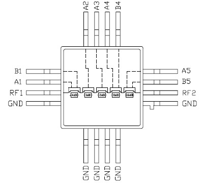
The HMC110G16 is a 5-bit surface mount hermetically sealed digital attenuator. Each bit is activated by applying a 0V control, and then disabled by applying -5V control to the specifi ed control pin.The fi ve primary attenuation states can be activated independently, or collectively for a maximum combined attenuation level of 31 dB. See the non-hermetic wide band DC - 6 GHz HMC110C14.