Features: Ultra Low SSB Phase Noise Floor:-153 dBc/Hz@10 kHz offset @ 100 MHz Reference Frequency.Programmable Divider (N= 2-32) Operating up to 2.8 GHzOpen Collector Output Buffer Amplifi ers forInterfacing w/ Op-Amp Based Loop FilterQSOP16G SMT Package: 29.4 mm2ApplicationThis Phase Frequency De...
HMC440QS16G: Features: Ultra Low SSB Phase Noise Floor:-153 dBc/Hz@10 kHz offset @ 100 MHz Reference Frequency.Programmable Divider (N= 2-32) Operating up to 2.8 GHzOpen Collector Output Buffer Amplifi ers forIn...
SeekIC Buyer Protection PLUS - newly updated for 2013!
268 Transactions
All payment methods are secure and covered by SeekIC Buyer Protection PLUS.
DescriptionThe HMC400MS8(E) is a high dynamic range passive MMIC mixer in plastic surface mount 8 ...
Features: Pout: -7 dBmPhase Noise: -105 dBc/Hz @100 KHz Typ.No External Resonator NeededSingle Sup...
Ultra Low SSB Phase Noise Floor:
-153 dBc/Hz@10 kHz offset @ 100 MHz Reference Frequency.
Programmable Divider (N= 2-32) Operating up to 2.8 GHz
Open Collector Output Buffer Amplifi ers for
Interfacing w/ Op-Amp Based Loop Filter
QSOP16G SMT Package: 29.4 mm2
This Phase Frequency Detector w/ integrated Counter is a key component in low phase noise frequency synthesis applications such as:
• Satellite Communication Systems
• Pt-Pt Radios
• Military Applications
• Sonet Clock Generation

| RF Input (Vcc= +5V) | +13 dBm |
| Supply Voltage (Vcc) | +5.5V |
| Counter Logic Input (A0 - A4) | -0.5 to Vcc +0.5 Vdc |
| Channel Temperature (Tc) | 135 °C |
| Continuous Pdiss (T = 85 °C) (derate 56.8 mW/° C above 85 °C) |
2.84 W |
| Storage Temperature | -65 to +150 °C |
| Operating Temperature | -40 to +85 °C |
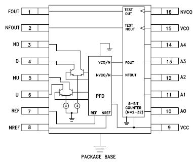
The HMC440QS16G integrates a 10 to 1300 MHz digital Phase-Frequency Detector with a 10 to 2800 MHz 5-Bit Counter (continuous division from 2 to 32) in a miniature 16 lead QSOP plastic package. It is intended for use in low phase noise offset-synthesizer applications. The HMC440QS16G's combination of high frequency operation along with ultra low phase noise fl oor make possible synthesizers with wide loop bandwidth and low N resulting in fast settling and very low phase noise. When used in conjunction with a differential loop amplifi er, the HMC440QS16G generates an output voltage that can be used to phase lock a VCO to a reference oscillator.