Features: • High-speed operation: 10-Gbps data rate (typ)• Low-power dissipation: 80 mW (typ.) using 2-V power-supply• 0.2-m gate length GaAs MESFET process• CBFF (Common gate Bias Flip Flop) technology• 24-pin ceramic packageApplication• High-speed optical comm...
KGL4208: Features: • High-speed operation: 10-Gbps data rate (typ)• Low-power dissipation: 80 mW (typ.) using 2-V power-supply• 0.2-m gate length GaAs MESFET process• CBFF (Common gat...
SeekIC Buyer Protection PLUS - newly updated for 2013!
268 Transactions
All payment methods are secure and covered by SeekIC Buyer Protection PLUS.
Features: • 11.1Gbps Operation• Differential Input• High Output Voltage: Maximum...

|
Parameter |
Symbol |
Min. |
Max. |
Unit |
| Supply Voltage |
VDD |
-0.3 |
2.3 |
V |
| Clock Input Voltage |
VCI |
-0.3 |
1.5 |
V |
| Temperature at package base under bias |
TS |
-45 |
100 |
|
| Storage temperature |
TST |
-45 |
125 |
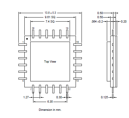
Oki Semiconductor's KGL4208, KGL4209, and KGL4210 are 10-Gbps GaAs frequency divider ICs that re designed for ultra high-speed digital communications systems. The KGL4208, KGL4209, and GL4210 are 1/4, 1/8, and 1/16 frequency dividers ICs respectively.
These 10-Gbps frequency divider IC's use 0.2-m gate length GaAs MESFET and Oki's unique CBFF Common gate Bias Flip Flop) technology to achieve operations of 10 GHz or more. The KGL4208, GL4209, and KGL4210 are available as 24-pin ceramic packaged devices. Due to their high sensitivity, apacitive coupling is recommended for the devices' clock input terminal (CK) connections.