Features: ` High breakdown voltage (BVCEO 50V)` High-current driving (Ic(max) = 500mA)` With clamping diodes`Driving available with PMOS IC output of 8-18V`Wide operating temperature range (Ta = 20 to +75°C)ApplicationDrives of relays and printers, digit drives of indication elements(LEDs and lam...
M54526P: Features: ` High breakdown voltage (BVCEO 50V)` High-current driving (Ic(max) = 500mA)` With clamping diodes`Driving available with PMOS IC output of 8-18V`Wide operating temperature range (Ta = 20...
SeekIC Buyer Protection PLUS - newly updated for 2013!
268 Transactions
All payment methods are secure and covered by SeekIC Buyer Protection PLUS.

|
Symbol |
Parameter |
Conditions |
Ratings |
Unit |
| VCEO | Clamping-emitter voltage | Ourrent,H |
-0.5TP+50 |
V |
| Ic | Collector current | Ourrent per circuit ouptput ,L |
500 |
mA |
| VI | Input voltage |
-0.5to+30 |
V | |
| IF | Clamping diode forward current |
500 |
mA | |
| VR | Clamping diode reverse voltage |
50 |
V | |
| Pd | Power dissipation | Ta = 25°C, when mounted on board |
1.47(P)/1.00(FP) |
W |
| Topr | Operating temperature |
-20to+75 |
°C | |
| Tstg | Storage temperature |
-55to+125 |
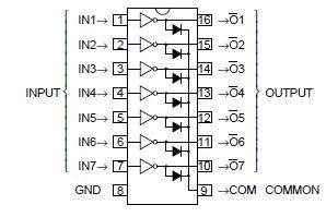
M54526P and M54526FP are seven-circuit Darlington transistor arrays with clamping diodes. The circuits are made of
NPN transistors. Both the semiconductor integrated circuits perform high-current driving with extremely low input-current supply.