Features: ` High breakdown voltage (BVCEO 50V)` High-current driving (IC(max) = 500mA)`With clamping diodes` Driving available with TTL output or with PMOS IC output` With shrink small outline packageApplicationDrives of relays and printers, digit drives of indication elements such as LEDs and la...
M54585KP: Features: ` High breakdown voltage (BVCEO 50V)` High-current driving (IC(max) = 500mA)`With clamping diodes` Driving available with TTL output or with PMOS IC output` With shrink small outline pack...
SeekIC Buyer Protection PLUS - newly updated for 2013!
268 Transactions
All payment methods are secure and covered by SeekIC Buyer Protection PLUS.

|
Symbol |
Parameter |
Conditions |
Ratings |
Unit | |
|
VCEO |
Collector-emitter voltage | Output, H |
0.5 ~ +50 |
V | |
|
IC |
Collector current | Current per circuit output, L |
500 |
mA | |
|
VI |
Input voltage |
0.5 ~ +30 |
V | ||
|
IF |
Clamping diode forward current |
500 |
mA | ||
|
VR |
Clamping diode reverse voltage |
50 |
V | ||
|
Pd |
Power dissipation | Ta = 25°C, when mounted on board |
0.68 |
W | |
|
Topr |
Operating temperature |
20 ~ +75 |
°C | ||
|
Tstg |
Storage temperature |
55 ~ +125 |
°C | ||
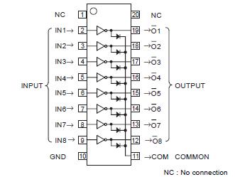
M54585KP is eight-circuit Darlington transistor arrays with clamping diodes. The circuits are made of NPN transistors. Both the semiconductor integrated circuits perform high-current driving with extremely low input-current supply.