Features: • VIF/SIF Inter carrier type for NTSC Coil-less VCO Adjustment free AFT High-speed IF AGC• PLL Low phase noise and High-speed lock-up Built-in band switch driver (4 port) I2C bus control Available for both XO and external reference• Mixer/Oscillator Built-in U&V Osc...
M61140FP: Features: • VIF/SIF Inter carrier type for NTSC Coil-less VCO Adjustment free AFT High-speed IF AGC• PLL Low phase noise and High-speed lock-up Built-in band switch driver (4 port) I2C b...
SeekIC Buyer Protection PLUS - newly updated for 2013!
268 Transactions
All payment methods are secure and covered by SeekIC Buyer Protection PLUS.

|
Parameter |
Symbol |
Ratings |
Unit |
Note | |
| Supply Voltage |
Vcc |
6 |
V |
||
| MO Block | Maximum Allowable Input |
Vin |
126 |
dBV |
|
| PLL Block | Input Voltage |
Vimax |
6 |
V |
Pin25 to 27 |
| Port Output Voltage |
Vo |
6 |
V |
Pin20 to 22,15 | |
| Port Output Current (1) |
Iopmax1 |
26 |
mA |
Pin20, 21 | |
| Port Output Current (2) |
Iopmax2 |
7 |
mA |
Pin15, 22 | |
| Port Output Current (3) |
Iopmax3 |
33 |
mA |
2 circuits are on at same time | |
| SDA Output Current |
Iosdamax |
10 |
mA |
||
| Power Consumption |
Pd |
750 |
mW |
Recommended circuit board. When Cu occupancy area is 50%. | |
| Operating Temperature |
Topr |
-20to+75 |
|||
| Storage Temperature |
Tstg |
-40to+150 |
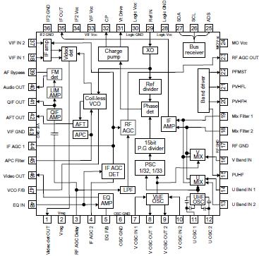
The M61140FP is a semiconductor integrated circuit consisting of Tuner signal processing for NTSC color TV and VCRs.
The circuit includes Mixer circuit in Tuning system, Oscillator circuit, PLL frequency synthesizer and VIF/SIF, which
permits a smaller tuner system.