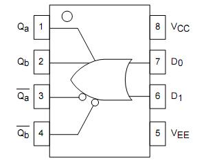
Features: •290ps Propagation Delay•Dual Outputs for 25Ω Drive Applications•75kΩ Internal Input Pulldown Resistors•>1000V ESD ProtectionPinoutDescriptionThe MC100EL12 is a low impedance drive buffer. With two pairs of OR/NOR outputs the device is ideally suite...
MC100EL12: Features: •290ps Propagation Delay•Dual Outputs for 25Ω Drive Applications•75kΩ Internal Input Pulldown Resistors•>1000V ESD ProtectionPinoutDescriptionThe MC1...
SeekIC Buyer Protection PLUS - newly updated for 2013!
268 Transactions
All payment methods are secure and covered by SeekIC Buyer Protection PLUS.
US $4.26 - 6.3 / Piece
Counter Shift Registers 5V ECL 8-Bit Binary Up Synchronous
