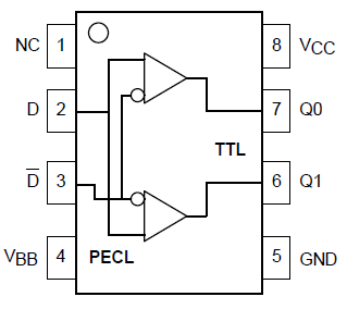
Features: • 3.5ns Typical Propagation Delay• <500ps Typical Output to Output Skew• Differential PECL Inputs• Small Outline SOIC Package• 24mA TTL Outputs• Flow Through PinoutsPinoutDescriptionThe MC10ELT/100ELT26 is a 1:2 fanout differential PECL to TTL trans...
MC10ELT26: Features: • 3.5ns Typical Propagation Delay• <500ps Typical Output to Output Skew• Differential PECL Inputs• Small Outline SOIC Package• 24mA TTL Outputs• Flow...
SeekIC Buyer Protection PLUS - newly updated for 2013!
268 Transactions
All payment methods are secure and covered by SeekIC Buyer Protection PLUS.
US $4.26 - 6.3 / Piece
Counter Shift Registers 5V ECL 8-Bit Binary Up Synchronous

The MC10ELT/100ELT26 is a 1:2 fanout differential PECL to TTL translator. Because PECL (Positive ECL) levels are used only +5V and ground are required. The small outline 8-lead SOIC package and the 1:2 fanout design of the ELT23 makes it ideal for applications, MC10ELT/100ELT26 require the low skew duplication of a signal in a tightly packed PC board. Because the mature MOSAIC 1.5 process is used, low cost can be added to the list of features.
The VBB output allows the ELT26 to also be used in a single-ended input mode. In MC10ELT/100ELT26 the VBB output is tied to the IN input for a non-inverting buffer or the IN input for an inverting buffer. If used the VBB pin should be bypassed to ground via a 0.01mF capacitor.
The ELT26 is available in both ECL standards: the 10ELT is compatible with positive MECL 10H logic levels while the 100ELT is compatible with positive ECL 100K logic levels.