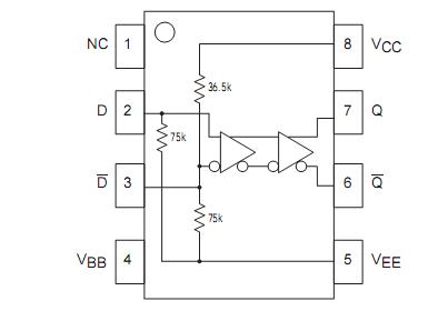
Features: •160ps Propagation Delay•High Bandwidth to 3 GHz Typical•PECL mode: 3.0V to 5.5V VCC with VEE = 0V•ECL mode: 0V VCC with VEE = 3.0V to 5.5V•Internal Input Resistors: Pulldown on D, Pulldown and Pullup on D•Q Output will default LOW with inputs open or ...
MC10EP16: Features: •160ps Propagation Delay•High Bandwidth to 3 GHz Typical•PECL mode: 3.0V to 5.5V VCC with VEE = 0V•ECL mode: 0V VCC with VEE = 3.0V to 5.5V•Internal Input Res...
SeekIC Buyer Protection PLUS - newly updated for 2013!
268 Transactions
All payment methods are secure and covered by SeekIC Buyer Protection PLUS.
US $4.26 - 6.3 / Piece
Counter Shift Registers 5V ECL 8-Bit Binary Up Synchronous

| Symbol |
Parameter |
Value |
Unit |
| VEE |
Power Supply (VCC= 0V) | 6.0 to 0 |
VDC |
| VCC | Power Supply (VEE= 0V) |
6.0 to 0 |
VDC |
| VI | Input Voltage (VCC= 0V, VInot more negative than VEE) |
-6.0 to 0 |
VDC |
| VI |
Input Voltage (VEE= 0V, VI |
6.0 to 0 | VDC |
| LOUT |
Output Current Continuous Surge |
50 100 |
mA |
| LBB | VISink/Source Current | ±0.5 | mA |
| TA | Operating Temperature Range | 40 to +85 | °C |
| TSTY | Storage Temperature | 65 to +150 | °C |
| JA |
Thermal Resistance (Junction Am bient StillAir 500lfpm |
190 130 |
°C/W |
| JC | Thermal Resistance (JunctiontoCase) | 41 to 44 ±5% | °C/W |
| TSOL | Solder Temperature (<2 to 3 Seconds: 245°C desired) | 265 | °C |