Features: •250ps Typical Propagation Delay•3 GHz Typical Toggle Frequency•PECL mode: 3.0V to 5.5V VCCwith VEE= 0V•ECL mode: 0V VCC with VEE = 3.0V to 5.5V•Internal Input Resistors: Pulldown on D, D•Q Output will default LOW with inputs open or at VEE•ESD P...
MC10EP32: Features: •250ps Typical Propagation Delay•3 GHz Typical Toggle Frequency•PECL mode: 3.0V to 5.5V VCCwith VEE= 0V•ECL mode: 0V VCC with VEE = 3.0V to 5.5V•Internal Inpu...
SeekIC Buyer Protection PLUS - newly updated for 2013!
268 Transactions
All payment methods are secure and covered by SeekIC Buyer Protection PLUS.
US $4.26 - 6.3 / Piece
Counter Shift Registers 5V ECL 8-Bit Binary Up Synchronous

| Symbol |
Parameter |
Value |
Unit |
| VEE | Power Supply (VCC= 0V) | 6.0 to 0 |
VDC |
| VCC | Power Supply (VEE= 0V) | 6.0 to 0 | VDC |
| VI | Input Voltage (VCC= 0V, VI not more negative than VEE) |
6.0 to 0 | VDC |
| VI | Input Voltage (VEE= 0V, VInot more positive than VCC) | 6.0 to 0 | VDC |
| Iout |
Output Current Continuous Surge |
50 100 |
mA |
| TA | Operating Temperature Range | 40 to +85 | |
| Tstg | Storage Temperature | 65 to +150 | |
| JA |
Thermal Resistance (JunctiontoAmbient)Still Air 500lfpm |
190 130 |
/W |
| JC | Thermal Resistance (JunctiontoCase) | 41 to 44 ±5% | /W |
| Tsol |
Solder Temperature (<2 to 3 Seconds: 245°C desired) |
265 |
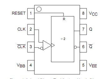
The MC10EP32 is an integrated 2 divider. The differential clock inputs and the VBBallow a differential, singleended or AC coupled interface to the device. If used, the V BBoutput should be bypassed to ground with a 0.01µF capacitor.
The reset pin of MC10EP32 is asynchronous and is asserted on the rising edge. Upon powerup, the internal flipflops will attain a random state; the reset allows for the synchronization of multiple EP32's in a system.