Features: • 240 ps Propagation Delay• Maximum Frequency > 4 GHz Typical• PECL Mode Operating Range: VCC = 2.375 V to 3.8 V with VEE = 0 V• NECL Mode Operating Range: VCC = 0 V with VEE = −2.375 V to −3.8 V• VBB Output• Open Input Default StateR...
MC10LVEP16: Features: • 240 ps Propagation Delay• Maximum Frequency > 4 GHz Typical• PECL Mode Operating Range: VCC = 2.375 V to 3.8 V with VEE = 0 V• NECL Mode Operating Range: VCC =...
SeekIC Buyer Protection PLUS - newly updated for 2013!
268 Transactions
All payment methods are secure and covered by SeekIC Buyer Protection PLUS.
US $4.26 - 6.3 / Piece
Counter Shift Registers 5V ECL 8-Bit Binary Up Synchronous

| Symbol | Parameter | Condition 1 | Condition 2 | Rating | Unit |
| VEE | NECL Mode Power Supply | VEE = 0 V | 6 | V | |
| VCC | PECL Mode Power Supply | VCC = 0 V | -6 | V | |
| VI | PECL Mode Input Voltage NECL Mode Input Voltage |
VEE = 0 V VCC = 0 V |
VI VCC VI VEE |
6 -6 |
V |
| Iout | Output Current | Continuous Surge |
50 100 |
mA | |
| IBB | VBB Sink/Source | ± 0.5 | mA | ||
| TA | Operating Temperature Range | 40 to +85 | °C | ||
| Tstg | Storage Temperature Range | -65 to +150 | °C | ||
| JA | Thermal Resistance (Junction-to-Ambient) | 0 lfpm 500 lfpm |
SOIC−8 SOIC−8 |
190 130 |
°C/W |
| JC | Thermal Resistance (Junction-to-Case) | Standard Board | SOIC−8 | 23 to 41 | °C/W |
| JA | Thermal Resistance (Junction?to?Ambient) | 0 lfpm 500 lfpm |
TSSOP−8 TSSOP−8 |
185 140 |
°C/W |
| JC | Thermal Resistance (Junction?to?Case) | Standard Board | SOIC−8 | 41 to 44 | °C/W |
| Tsol | Wave Solder | <2 to 3 sec @ 248°C | 265 | °C |
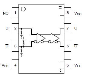
The MC10/100LVEP16 is a world class differential receiver/driver. The MC10/100LVEP16 are functionally equivalent to the EL16, EP16 and LVEL16 devices. With output transition times significantly faster than the EL16 and LVEL16, the LVEP16 is ideally suited for interfacing with high frequency and low voltage (2.5 V) sources. Single−ended CLK input operation is limited to a VCC 3.0 V in PECL mode, or VEE −3.0 V in NECL mode.
The VBB pin, an internally generated voltage supply, is available to MC10/100LVEP16 only. For single−ended input conditions, the unused differential input is connected to VBB as a switching reference voltage. VBB may also rebias AC coupled inputs. When used, decouple VBB and VCC via a 0.01 F capacitor and limit current sourcing or sinking to 0.5 mA. When not used, VBB should be left open. The 100 Series contains temperature compensation.