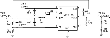
PinoutDescriptionThe MP2126 is an internally compensated 2.5A synchronous step-down switcher plus a standalone 0.5A low dropout (LDO) linear regulator. It is ideal for powering portable equipment that runs from a single cell Lithium-Ion (Li+) Battery. The MP2126 can provide up to 2.5A to the switc...
MP2126: PinoutDescriptionThe MP2126 is an internally compensated 2.5A synchronous step-down switcher plus a standalone 0.5A low dropout (LDO) linear regulator. It is ideal for powering portable equipment th...
SeekIC Buyer Protection PLUS - newly updated for 2013!
268 Transactions
All payment methods are secure and covered by SeekIC Buyer Protection PLUS.
