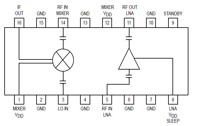
Features: • Single Supply Voltage = 5.0 Volts• High Conversion Gain = 21 dB Typical Less Image Filter• Low Supply Current = 9.5 mA Typical• LowCost, Low Profile Plastic SOIC Package• Available in Tape and Reel by Adding R2 Suffix to Part Number. R2 Suffix = 2,500 Unit...
MRFIC2401: Features: • Single Supply Voltage = 5.0 Volts• High Conversion Gain = 21 dB Typical Less Image Filter• Low Supply Current = 9.5 mA Typical• LowCost, Low Profile Plastic SOIC ...
SeekIC Buyer Protection PLUS - newly updated for 2013!
268 Transactions
All payment methods are secure and covered by SeekIC Buyer Protection PLUS.

| Parameter | Symbol | Value | Unit |
| Supply Voltage | VDD | 6.0 | Vdc |
| Input Power, RF IN Ports | PRF | +5.0 | dBm |
| Input Power, LO IN Port | PLO | +5.0 | dBm |
| Ambient Operating Temperature | TA | 30 to +85 | °C |
| Storage Temperature | Tstg | 65 to +125 | °C |
| Bias Control Voltage | STANDBY | 6.0 | Vdc |