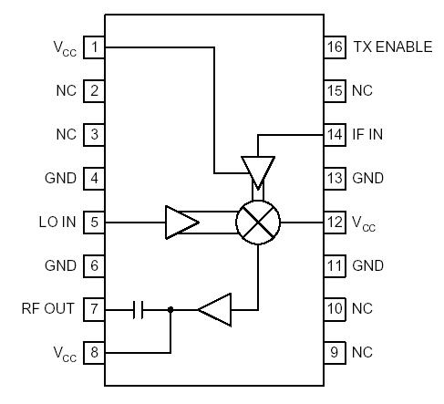
Features: • Single Supply 2.8V Operation• +3dBm Typical Output 1dB Compression Point• Power Down Control• 17dB Conversion GainApplication• TDMA/CDMA PCS Systems • Portable Battery-Powered EquipmentPinoutSpecifications Parameter Rating Unit Supply V...
RF2603: Features: • Single Supply 2.8V Operation• +3dBm Typical Output 1dB Compression Point• Power Down Control• 17dB Conversion GainApplication• TDMA/CDMA PCS Systems •...
SeekIC Buyer Protection PLUS - newly updated for 2013!
268 Transactions
All payment methods are secure and covered by SeekIC Buyer Protection PLUS.

| Parameter |
Rating |
Unit |
| Supply Voltage Enable Voltage LO Input Power Input IF Power Operating Temperature Range Storage Temperature |
-0.5 to +5.5 -0.5 to +5.5 +3 +3 -30 to +85 -30 to +150 |
V V dBm dBm °C °C |
The RF2603 is a upconverter/pre-driver designed for PCS systems. The device features single-ended IF and LO inputs and single-ended RF output for ease of interface. The RF2603 is manufactured on an advanced Gallium Arsenide Heterojunction Bipolar Transistor (HBT) process and is packaged in a TSSOP-16 package.