Features: • Supports Dual Mode Operation• -48dB to +48dB Gain Control Range• Single 3V Power Supply• Digitally Selectable Inputs• -2dBm Input IP3• 12MHz to 285MHz OperationApplication• 3V CDMA/FM Cellular Systems• Supports Dual-Mode AMPS/CDMA• ...
RF2617: Features: • Supports Dual Mode Operation• -48dB to +48dB Gain Control Range• Single 3V Power Supply• Digitally Selectable Inputs• -2dBm Input IP3• 12MHz to 285MHz...
SeekIC Buyer Protection PLUS - newly updated for 2013!
268 Transactions
All payment methods are secure and covered by SeekIC Buyer Protection PLUS.

| Parameter |
Value |
Unit |
| Supply Voltage |
-0.5 to +7.0 |
VDC |
| Control Voltage |
-0.5 to +5.0 |
VDC |
| Input RF Power |
+10 |
dBm |
| Operating Ambient Temperature |
-40 to +85 |
°C |
| Storage Temperature |
-40 to +150 |
°C |
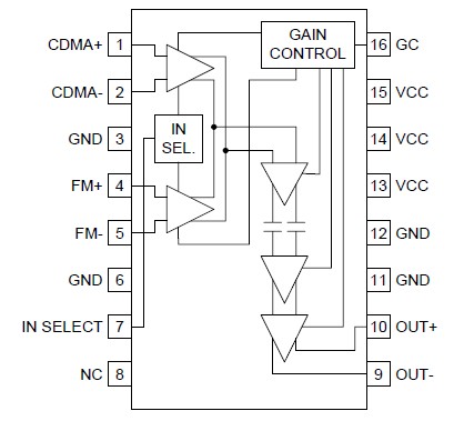
The RF2617 is a complete AGC amplifier designed for the receive section of 3V dual-mode CDMA/FM cellular applications. It is designed to amplify IF signals while providing more than 90dB of gain control range. Noise Figure, IP3, and other specifications are designed to be compatible with the IS-95 Interim Standard for CDMA cellular communications. This circuit RF2617 is designed as part of the RFMD CDMA Chip Set, consisting of a Transmit IF AGC Amp, a Transmit Upconverter, a Receive LNA/Mixer, and this Receive IF AGC Amp. The IC RF2617 is manufactured on an advanced high frequency Silicon Bipolar process, and is packaged in a standard miniature 16-lead plastic SSOP package.