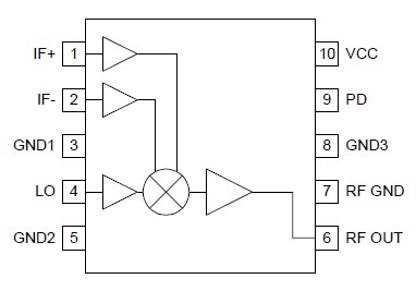
Features: • Single Supply 3.0V Operation• +8.5dBm Output P1dB• +19dBm Output IP3• Power Down Control• 23dB Conversion GainApplication• TDMA/AMPS Cellular Systems• CDMA/AMPS Cellular Systems• Portable Battery Powered EquipmentPinoutSpecifications ...
RF2640: Features: • Single Supply 3.0V Operation• +8.5dBm Output P1dB• +19dBm Output IP3• Power Down Control• 23dB Conversion GainApplication• TDMA/AMPS Cellular Systems&...
SeekIC Buyer Protection PLUS - newly updated for 2013!
268 Transactions
All payment methods are secure and covered by SeekIC Buyer Protection PLUS.

| Parameter |
Value |
Unit |
| Supply Voltage |
-0.5 to +3.6 |
VDC |
| Input RF Power |
+3 |
dBm |
| Operating Ambient Temperature |
-30 to +85 |
°C |
| Storage Temperature |
-30 to +150 |
°C |
The RF2640 is a complete upconverter and power amplifier driver designed for TDMA and CDMA applications. The device features balanced IF inputs, single-ended LO input and RF output for ease of interface. Packaged in an industry standard MSOP-10 package, the device provides a low-cost solution while easing board space limitations.