Features: • Similar to RF9958with increased IF range• Supports Dual Mode Operation• Digitally Controlled Power Down Modes• 2.7V to 3.3V Operation• Double-Balanced UHF Upconvert Mixer• IF AGC Amp with 95 dB Gain ControlApplication• CDMA/FM Cellular Systems&...
RF2658: Features: • Similar to RF9958with increased IF range• Supports Dual Mode Operation• Digitally Controlled Power Down Modes• 2.7V to 3.3V Operation• Double-Balanced UHF U...
SeekIC Buyer Protection PLUS - newly updated for 2013!
268 Transactions
All payment methods are secure and covered by SeekIC Buyer Protection PLUS.

| Parameter |
Rating |
Unit |
| Supply Voltage Power Down Voltage (VPD) I and Q Levels, per pin LO1 Level, balanced LO2 Level, balanced Operating Ambient Temperature Storage Temperature |
-0.5 to +5 -0.5 to VCC+0.7 1 +3 +6 -40 to +85 -40 to +150 |
VDC V VPP dBm dBm °C °C |
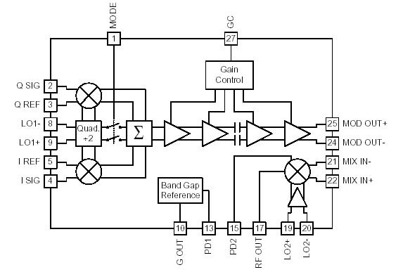
The RF2658 is an integrated complete Quadrature Modulator, IF AGC amplifier, and Upconverter developed for the transmit section of dual-mode CDMA/FM cellular and PCS applications and for GSM/DCS and TDMA systems. RF2658 is designed to modulate baseband I and Q signals, amplify the resulting IF signals while providing 95dB of gain control range, and perform the final upconversion to UHF. Noise Figure, IP3, and other specifications are designed to be compatible with the IS-98 Interim Standard for CDMA cellular communications. This circuit RF2658 is part of RFMD's line of complete solutions for digital radio applications. The IC is manufactured on an advanced 15GHz FT Silicon Bipolar process, and is supplied in a 28-lead plastic SSOP package.