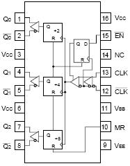
Features: 3.3V and 5V power supply options 50ps output-to-output skew Synchronous enable/disable Master Reset for synchronization Internal 75K input pull-down resistors Available in 16-pin SOIC packagePinoutDescriptionThe SY10EL34/L/100EL34/L are low skew ÷2, ÷4, ÷8 clock generation chips designed...
SY10EL34/L: Features: 3.3V and 5V power supply options 50ps output-to-output skew Synchronous enable/disable Master Reset for synchronization Internal 75K input pull-down resistors Available in 16-pin SOIC pack...
SeekIC Buyer Protection PLUS - newly updated for 2013!
268 Transactions
All payment methods are secure and covered by SeekIC Buyer Protection PLUS.
DescriptionThe SY10/100E111 are low skew 1-to-9 differential drivers designed for clock distributi...

The SY10EL34/L/100EL34/L are low skew ÷2, ÷4, ÷8 clock generation chips designed explicitly for low skew clock generation applications. The internal dividers are synchronous to each other, therefore, the common output edges are all precisely aligned. The SY10EL34/L can be driven by either a differential or single-ended ECL or, if positive power supplies are used, PECL input signal. In addition, by using the VBB output, a sinusoidal source can be ACcoupled into the device. If a single-ended input is to be used, the VBB output should be connected to the CLK input and bypassed to ground via a 0.01F capacitor. The VBB output is designed to act as the switching reference for the input of the SY10EL34/L under single-ended input conditions. As a result, this pin can only source/ sink up to 0.5mA of current.
The common enable (EN) is synchronous so that the internal dividers will only be enabled/disabled when the internal clock is already in the LOW state. This avoids any chance of generating a runt clock pulse on the internal clock when the SY10EL34/L is enabled/disabled as can happen with an asynchronous control. An internal runt pulse could lead to losing synchronization between the internal divider stages. The internal enable flip-flop of SY10EL34/L is clocked on the falling edge of the divider stages. The internal enable flip-flop is clocked on the falling edge of the input clock, therefore, all associated specification limits are referenced to the negative edge of the clock input.
Upon start-up, the internal flip-flops will attain a random state; the master reset (MR) input allows for the synchronization of the internal dividers, as well as for multiple SY10EL34/L's in a system.