Modulator / Demodulator USE 551-UPC8194K-A
UPC8194K: Modulator / Demodulator USE 551-UPC8194K-A
SeekIC Buyer Protection PLUS - newly updated for 2013!
268 Transactions
All payment methods are secure and covered by SeekIC Buyer Protection PLUS.
| Package / Case : | QFN-20 |

|
SYMBOL |
PARAMETER |
UNIT |
RATING |
|
VCC |
Supply Voltage |
V |
4.0 |
|
VPS,VCONT |
Applied Voltage |
V |
-0.3 to VCC+0.3 |
|
TA |
Operating Ambient Temperature |
°C |
-40 to +85 |
|
TSTG |
Storage Temperature |
°C |
-55 to +150 |
|
PD |
Power Dissipation |
mW |
309 |
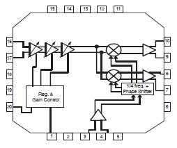
NEC's UPC8194K is a Silicon Microwave Monolithic integrated circuit designed as a receiver (RX) section for WCDMA.
The UPC8194K is a RX-IF IC including IF-AGC amplifier and demodulator. This IC is suitable for kit-use for WCDMA IF section. This IC was developed using NEC's new ultra high seed silicon bipolar process.
NEC's stringent quality assurance and test procedures ensure the highest reliability and perormance.