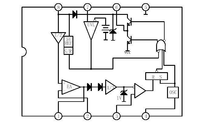
Features: ·Optimized For Off-line and DC to DC Converts·Low Start up Current·Automatic Feed Forward Compensation·Pulse-by-Pulse Current Limiting·Under-voltage Lookout with Hysteresis·Double Pulse Suppression·High Current Totem Pole Output·Internally Trimmed Band-gap Reference·500kHz OperationPinou...
YD3842: Features: ·Optimized For Off-line and DC to DC Converts·Low Start up Current·Automatic Feed Forward Compensation·Pulse-by-Pulse Current Limiting·Under-voltage Lookout with Hysteresis·Double Pulse Su...
SeekIC Buyer Protection PLUS - newly updated for 2013!
268 Transactions
All payment methods are secure and covered by SeekIC Buyer Protection PLUS.

|
PARAMETER |
SYMBOL |
VALUE |
UNIT |
| Supply Voltage (Low impedance Source) |
VCC |
30 |
V |
| Output Current |
Io |
±1 |
A |
| Analog Inputs(pin 2, 3) |
VI(ANA) |
-0.3 to +6.3 |
V |
| Error Amplifier Output Sink Current |
lSINK(EA) |
10 |
mA |
| Power Dissipation |
PD |
1.0 |
W |
The YD3842 provides the necessary features to implement off-line or DC fixed frequency current mode control schemes with a minimal external parts count.