Published:2009/6/30 1:56:00 Author:May | From:SeekIC

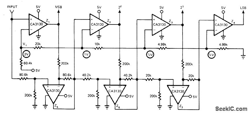
Simple and low-cost arrangement of seven CA3130 opamps gives conversion times fast enough for tracking sinewave signals well up into audio range, Even with relatively slow 741 opamps, signals up to 300 Hz were easily tracked. Additional bits are easily cascaded.—B. P. Vandenberg, Tracking-Type A/D Requires No Clock Oscillator, EDN Magazine, Jan. 20, 1977, p 92 and 94.
Reprinted Url Of This Article:
http://www.seekic.com/circuit_diagram/A-D_D-A_Converter_Circuit/A-D_converter/4_BIT_CLOCKLESS.html
Print this Page | Comments | Reading(3)
Code: