Published:2009/6/30 1:40:00 Author:May | From:SeekIC

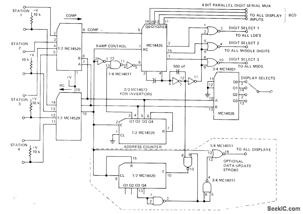
Conversion process is divided between central station and remote locations having analog sensors. Each station transmits two noise-immune low-frequency digital signals under control of central multiplexor. System is much more economical than having separate A/D converter at each sensor. Can be extended to 32 channels. Multiplexing is performed under control of clock in Motorola MC14435, operating between 100 kHz and 1 MHz. At 500 kHz, each conversion takes about 15 ms.—S. Kelley, Analog Data Acquisition Network for Digital Processino Using the MC1405-MC14435 A/D System, Motorola, Phoenix, AZ, 1975, EB-58.
Reprinted Url Of This Article:
http://www.seekic.com/circuit_diagram/A-D_D-A_Converter_Circuit/A-D_converter/FOUR_CHANNEL_INPUT_MULTlPLEXING.html
Print this Page | Comments | Reading(3)
Code: