Published:2009/6/18 22:54:00 Author:May | From:SeekIC

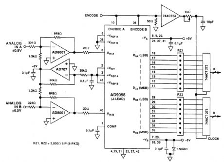
The AD8001 is well suited for driving high-speed analog-to-digital converters, such as the AD9058.The AD9058 is a dual 8-bit 50 Msps ADC. In the circuit shown, there are two AD8001s driving the in-puts of the AD905f8 which are configured for 0- to +2-V ranges. Bipolar input signals are buffered, amplified (-2x), and offset (by +1.0 V) into the proper input range of the ADC. Using the AD9058's internal +2-V reference connected to both ADCs (as shown) reduces the number of external com-ponents required to create a complete data acquisition system. The 20-Ω resistors in series with ADC input are used to help the AD8001 drive the 10-pf' ADO input capacitance. The two AD8001s only add 100 mW to the power consumption while not limiting the performance of the circuit.
Reprinted Url Of This Article:
http://www.seekic.com/circuit_diagram/A-D_D-A_Converter_Circuit/A-D_converter/HIGH_SPEED_A_D_CONVERTER_SYSTEM.html
Print this Page | Comments | Reading(3)
Code: