Published:2009/6/30 1:46:00 Author:May | From:SeekIC

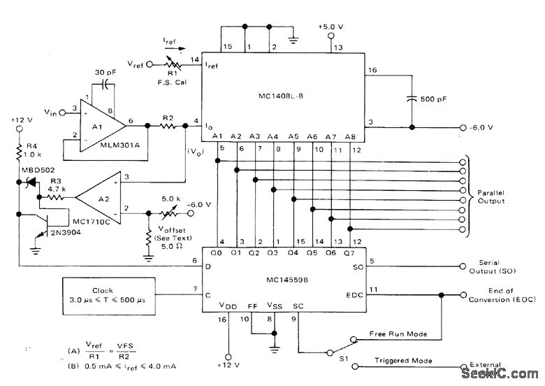
Total converslon time for 8-bit system is about 4.5 μs,clock rate is up to 2 MHz. Serial output is used for transmission to one or more other location. —T. Henry, Successive Approximation A/D Conversion, Motorola, Phoenix, AZ, 1974, AN-716, p 5.
Reprinted Url Of This Article:
http://www.seekic.com/circuit_diagram/A-D_D-A_Converter_Circuit/A-D_converter/HIGH_SPEED_SUCCESSIVE_APPROXIMATION.html
Print this Page | Comments | Reading(3)
Code: