Published:2009/7/2 4:02:00 Author:May | From:SeekIC

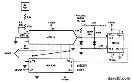
The 10-bit conversion time is 3.3 μs with a 3 MHz clock. This converter uses a 2504 12-bit successive approximation register in the short cycle operating mode where the end of conversion signal is taken from the first unused bit of the SAR (Q10).
Reprinted Url Of This Article:
http://www.seekic.com/circuit_diagram/A-D_D-A_Converter_Circuit/A-D_converter/SUCCESSIVE_APPROXIMATION_A_D_CONVERTER_1.html
Print this Page | Comments | Reading(3)
Code: