Published:2009/6/26 2:21:00 Author:May | From:SeekIC

Reprinted Url Of This Article:
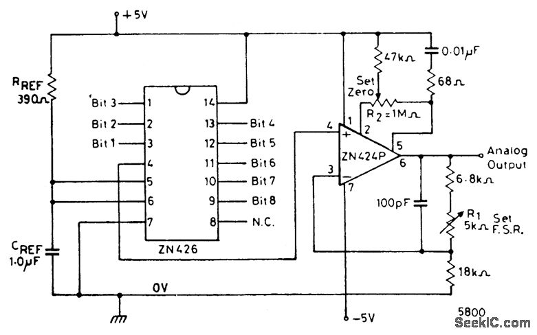
http://www.seekic.com/circuit_diagram/A-D_D-A_Converter_Circuit/D-A_Converter/8_BIT_D_A_CONVERTER.html
Print this Page | Comments | Reading(3)
Code: