Published:2009/6/30 3:00:00 Author:May | From:SeekIC

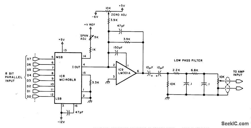
Audio signals stored in 8-channel digital form in computer are converted back into analog form for feed through low-pass filter to input of audio amplifier. Can be used for computer-controlled synthesis of speech from phonemes in any language or for providing voice replies to queries. Pin 7 of IC9 is +12 V, and pin 4 is -12V.—S. Ciarcia, Talk to Me! Add a Voice to Your Computer for $35, BYTE, June 1978, p 142-151
Reprinted Url Of This Article:
http://www.seekic.com/circuit_diagram/A-D_D-A_Converter_Circuit/D-A_Converter/DAC_FOR_SPEECH.html
Print this Page | Comments | Reading(3)
Code: