Published:2009/7/7 22:41:00 Author:May | From:SeekIC

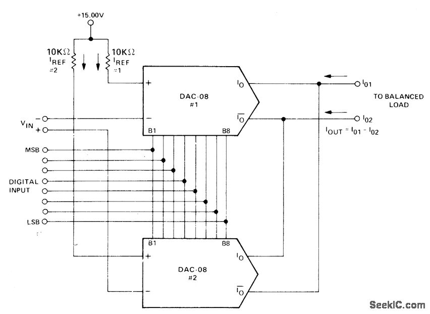
Combination of two Precision Monolithics DAC-08 D/A conveners accepts differential input voltage and produces differential current output, 0ut-put opamp is not normally required. Output analog polarity is controlled by analog input ref-erence or by offset-binary digital input word. Common-mode current present at output must be accommodated by balanced load. Differential input range is 10 V.-J. Schoeff and D. Soderquist, Differential and Multiplying Digital to Analog Converter Applications, Precision Monolithics, Santa Clara, CA, 1976, AN-19, p 3.
Reprinted Url Of This Article:
http://www.seekic.com/circuit_diagram/A-D_D-A_Converter_Circuit/D-A_Converter/FOUR_QUADRANT_MULTIPLYING_DAC.html
Print this Page | Comments | Reading(3)
Code: