Published:2009/6/23 2:00:00 Author:May | From:SeekIC

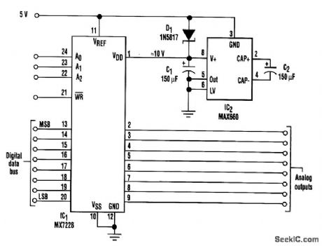
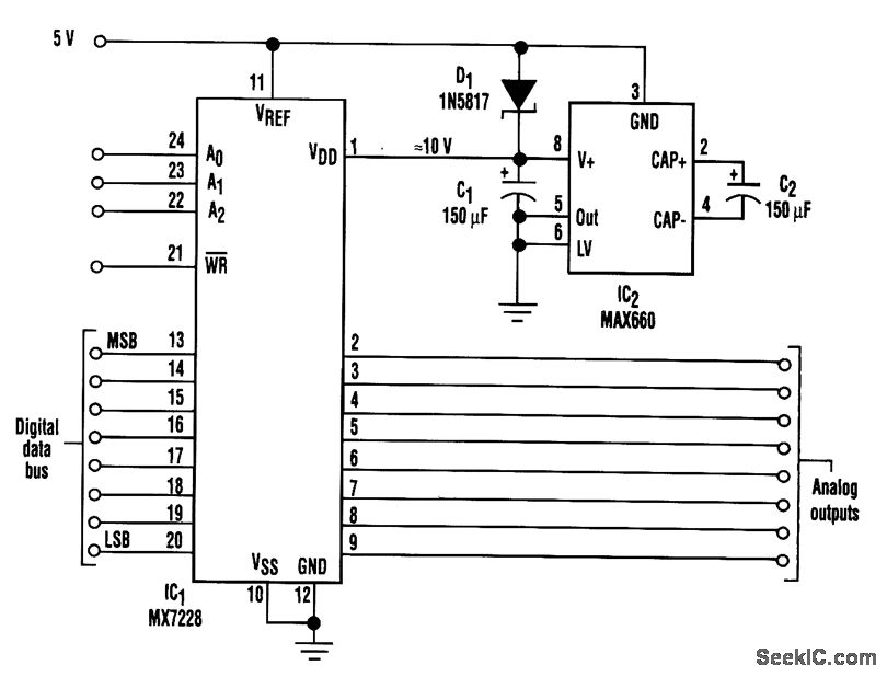
This octal digital-to-analog converter operates on 5V and provides eight output voltages, each digitally adjustable from supply rail to supply rail (0 to 5V). Each output's resolution is 20 mV/LSB. The DAC chip (IC1) requires 3.5V of headroom between its VDD and reference voltages. However, a voltage-doubler charge pump (IC2) removes this limitation by generating an approximate 10-V supply for VDD. All of the converter references are connected to the 5-V supply. IC2 doubles the 5-V input to an unregulated 10-V output that has an output impedance of less than 10Ω. It can deliver 100 rnA, which enables the eight DACs to issue their maximum output currents simultaneously (8×5 mA = 40 mA).
Reprinted Url Of This Article:
http://www.seekic.com/circuit_diagram/A-D_D-A_Converter_Circuit/D-A_Converter/OCTAL_D_A_CONVERTER.html
Print this Page | Comments | Reading(3)
Code: