Published:2009/6/30 3:05:00 Author:May | From:SeekIC

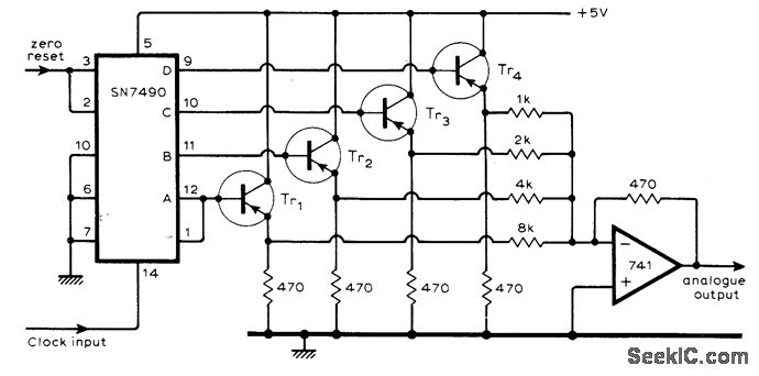
Transistors are either saturated or cut off by outputs of clock-controlled SN7490 BCD counter, Portions of emitter voltages of the four transistors are added in ratios 1:2:4:8 by 741 summing opamp to obtain analog output. Article tells how two such circuits can be combined for use in two-digit DVM.—D. James, Simple Digital to Analogue Converter, Wireless World, June 1974, p 197.
Reprinted Url Of This Article:
http://www.seekic.com/circuit_diagram/A-D_D-A_Converter_Circuit/D-A_Converter/SIMPLE_DAC.html
Print this Page | Comments | Reading(3)
Code: