Published:2009/6/14 21:39:00 Author:jailer | From:SeekIC

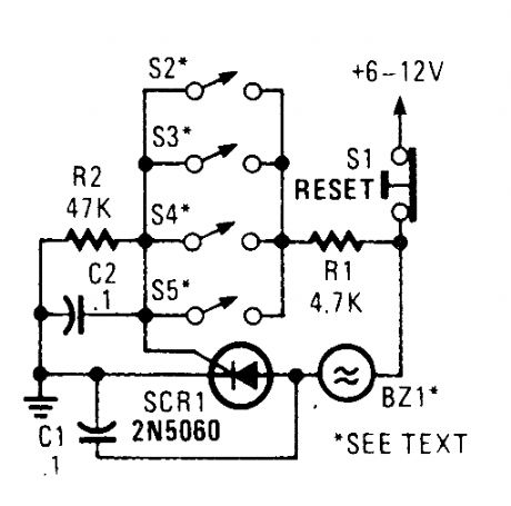
Four paraJlel switches are used to monitor four positions. When a closure occurs on any switch, SCR1 triggers, which sounds the alarm.The alarm should be of the noninterrupting type.
Reprinted Url Of This Article:
http://www.seekic.com/circuit_diagram/Amplifier_Circuit/Amplifier_Circuits-Miscellaneous/PARALLEL_LOOP_ALARM.html
Print this Page | Comments | Reading(3)
Code: