Published:2011/4/24 6:02:00 Author:Robert | Keyword: 75Ω, Impedance Linear Amplification | From:SeekIC

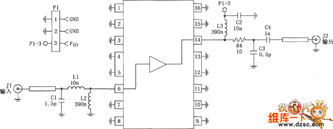
75Ω Impedance Linear Amplification Circuit Consists Of RF2320 is shown below. J1 and J2are 75Ω Connectors.
Reprinted Url Of This Article:
http://www.seekic.com/circuit_diagram/Amplifier_Circuit/Amplifier_Circuits-RF/75Ω_Impedance_Linear_Amplification_Circuit_Consists_Of_RF2320.html
Print this Page | Comments | Reading(3)
Code: