Published:2011/7/25 22:08:00 Author:Ecco | Keyword: Low-noise RF amplifier, IF amplifier | From:SeekIC

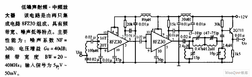
The circuit is composed of two 8FZ30 integrated circuits with wide frequency bandwidth, low noise. The main properties: voltage gain Gu = 40dB; bandwidth BW = 20 to 40MHz; input signal is 5μV to 50mV.
Reprinted Url Of This Article:
http://www.seekic.com/circuit_diagram/Amplifier_Circuit/Amplifier_Circuits-RF/Low_noise_RF___IF_amplifier_circuit_diagram.html
Print this Page | Comments | Reading(3)
Code: