Published:2011/6/17 10:51:00 Author:John | Keyword: IF amplifier | From:SeekIC

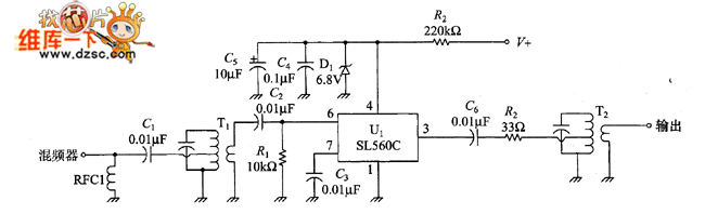
A tuning circuit is as shown in the following. Tuned circuit T1 is used to replace the original input circuit. Output circuit is replaced with the transformer T2. Besides, V + terminal circuit here uses a Zener diode to rectifier the DC voltage.
figure: SL56OC IF amplifier circuit
Reprinted Url Of This Article:
http://www.seekic.com/circuit_diagram/Amplifier_Circuit/Amplifier_Circuits-RF/SL56OC_IF_amplifier_circuit.html
Print this Page | Comments | Reading(3)
Code: