Position: Home > Circuit Diagram > Amplifier Circuit > >Index 28
Low Cost Custom Prototype PCB Manufacturer

Index 28



common base amplifier

Published:2012/12/28 0:13:00 Author:muriel | Keyword: common base, amplifier

common base amplifier
  (View)

View full Circuit Diagram | Comments | Reading(1551)

simple amplifier

Published:2012/12/28 0:01:00 Author:muriel | Keyword: simple amplifier

simple amplifier
  (View)

View full Circuit Diagram | Comments | Reading(706)

LM388 audio amplifier and its pin main characteristics

Published:2012/12/27 0:12:00 Author:Ecco | Keyword: audio amplifier, pin main characteristics

LM388 audio amplifier and its pin main characteristics
20 to 200 Voltage gain, adjustable operating voltage range,and its lowest bit is 4V; benchmark grounded input; low distortion.   (View)

View full Circuit Diagram | Comments | Reading(1844)

LM6162/6262/6362 operational amplifier and its pin main characteristics

Published:2012/12/27 0:21:00 Author:Ecco | Keyword: operational amplifier , pin main characteristics

LM6162/6262/6362 operational amplifier and its pin main characteristics
4.75 to 32V operating voltage range; 5mA supply current; differential gain is less than 0.1%; difference is 0.1 °; 300V/μs conversion rate; ±3mV input offset voltage; 2.2 μA input bias current; PSRR = 93dB.CMRR = 100dB.   (View)

View full Circuit Diagram | Comments | Reading(820)

LM709 general purpose operational amplifier and its pin main characteristics

Published:2012/12/27 1:37:00 Author:Ecco | Keyword: general purpose , operational amplifier , pin main characteristics

LM709 general purpose operational amplifier and its pin main characteristics
600μV input offset voltage; 1.8μV / ℃ temperature drift; 100nA bias current; 2.3mA current consumption; ± 18V power supply; ± 5V differential-mode input voltage; ± 10V common-mode input voltage. Similar models: MC1709, μA709, CF709.   (View)

View full Circuit Diagram | Comments | Reading(2460)

MA326 high-precision and wideband op amp and its pin main characteristics

Published:2012/12/27 1:28:00 Author:Ecco | Keyword: high-precision , wideband op amp, pin main characteristics

MA326 high-precision and wideband op amp and its pin main characteristics
66V/μs conversion rate; Gain Bandwidth Product GB = 350MHz; 400μs settling time; Low Noise; ± 36V power supply; ± 5V differential-mode input voltage; 300mW power consumption.   (View)

View full Circuit Diagram | Comments | Reading(634)

MA336 dual JFET input op amp and its pin main characteristics

Published:2012/12/27 1:33:00 Author:Ecco | Keyword: dual JFET input, op amp , pin main characteristics

MA336 dual JFET input op amp and its pin main characteristics
8nV / √ ˉ Hz ( 1kHz) noise; 15V/μs conversion rate; Gain Bandwidth Product GB = 3MHz; ± 36V power supply; differential mode input voltage ± 30V; ± 36V common mode input voltage.   (View)

View full Circuit Diagram | Comments | Reading(665)

power amplifier

Published:2012/12/27 1:02:00 Author:muriel | Keyword: power amplifier

power amplifier
  (View)

View full Circuit Diagram | Comments | Reading(0)

Audio Amplifier Chain

Published:2012/12/27 1:00:00 Author:muriel | Keyword: Audio Amplifier Chain

Audio Amplifier Chain
  (View)

View full Circuit Diagram | Comments | Reading(741)

LT1012 low-noise op amp and its pin main characteristics

Published:2012/12/26 2:14:00 Author:Ecco | Keyword: low-noise op amp , pin main characteristics

LT1012 low-noise op amp and its pin main characteristics
8μV Input offset voltage; 200μV / ℃ temperature drift; 25μA bias current; 200V/μs conversion rate; 14nV / √ ¯ Hz ( 1kHz) noise; 380μA current consumption; ± 20V power supply.   (View)

View full Circuit Diagram | Comments | Reading(1330)

MA325 high-precision op amp and its pin main characteristics

Published:2012/12/26 2:08:00 Author:Ecco | Keyword: high-precision , op amp , pin main characteristics

MA325 high-precision op amp and its pin main characteristics
Low drift; 75V/μs conversion rate; ± 40V power supply; 500mW power consumption.   (View)

View full Circuit Diagram | Comments | Reading(1076)

MA327 high-precision op amp and its pin main characteristics

Published:2012/12/26 2:06:00 Author:Ecco | Keyword: high-precision , op amp , pin main characteristics

MA327 high-precision op amp and its pin main characteristics
15V/μs conversion rate; Gain Bandwidth Product GB = 30MHz ; 2.5nV / √ ¯ Hz (1kHz) noise; 0.5μV / ℃ temperature drift; ± 40V power supply.   (View)

View full Circuit Diagram | Comments | Reading(641)

MA332 low-noise op amp and its pin main characteristics

Published:2012/12/26 1:58:00 Author:Ecco | Keyword: low-noise op amp , pin main characteristics

MA332 low-noise op amp and its pin main characteristics
5nV / √ ¯ Hz ( 1kHz) noise; 0.0002 % (THD ) distortion; ± 45V power supply; ± 45V common-mode input voltage; 1000mW power consumption.   (View)

View full Circuit Diagram | Comments | Reading(1091)

MA333 JFET input op amp and its pin main characteristics

Published:2012/12/26 1:47:00 Author:Ecco | Keyword: JFET, input op amp , pin main characteristics

MA333 JFET input op amp and its pin main characteristics
8nV / √ ¯ Hz (1kHz) noise; 15V/μs conversion rate; Gain Bandwidth Product GB = 3MHz; ± 36V power supply; ± 30V differential mode input voltage; ± 36V common mode input voltage; 500mW power consumption.   (View)

View full Circuit Diagram | Comments | Reading(1011)

Mini Guitar/Bass Amplifier

Published:2012/12/25 21:29:00 Author:muriel | Keyword: Mini Guitar/Bass, Amplifier

Mini Guitar/Bass Amplifier
  (View)

View full Circuit Diagram | Comments | Reading(1410)

Headphone Amplifier Modules

Published:2012/12/25 21:29:00 Author:muriel | Keyword: Headphone Amplifier Modules

Headphone Amplifier Modules
  (View)

View full Circuit Diagram | Comments | Reading(1300)

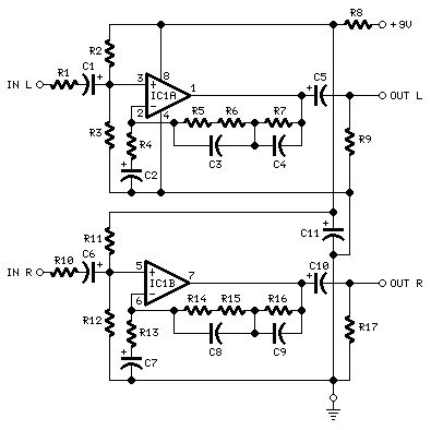
Microphone Amplifier Modules

Published:2012/12/25 21:27:00 Author:muriel | Keyword: Microphone Amplifier Modules

Microphone Amplifier Modules
  (View)

View full Circuit Diagram | Comments | Reading(776)

Magnetic Pick-up Amplifier

Published:2012/12/25 21:27:00 Author:muriel | Keyword: Magnetic , Pick-up, Amplifier

Magnetic Pick-up Amplifier
  (View)

View full Circuit Diagram | Comments | Reading(1462)

Solid-state Fender Blackface Preamp

Published:2012/12/25 21:21:00 Author:muriel | Keyword: Solid-state , Fender , Blackface Preamp

Solid-state Fender Blackface Preamp
  (View)

View full Circuit Diagram | Comments | Reading(1689)

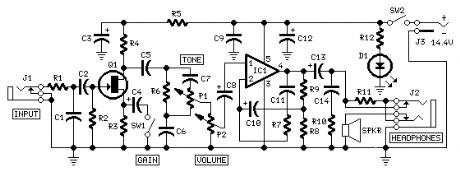
Mini Portable Guitar Amplifier

Published:2012/12/25 21:20:00 Author:muriel | Keyword: Mini Portable, Guitar Amplifier

Mini Portable Guitar Amplifier
  (View)

View full Circuit Diagram | Comments | Reading(986)

Pages:28/250 At 202122232425262728293031323334353637383940Under 20