Published:2011/8/23 22:13:00 Author:Borg | Keyword: wide band amplifier, separated elements
The RF wide band amplifier unit circuit of separated elements is shown as above.
(View)
View full Circuit Diagram | Comments | Reading(1228)
Published:2011/8/23 22:13:00 Author:Borg | Keyword: independent element, hi-fi, power amplifier
The power amplifier stage of the amplifier circuit consists of the compensatory tube emitter follower, the backward feedback of the big circuit makes the drive compensatory tube signal in the linear range. The circuit makes sure the 2 tubes conduct in different time in the structure, so the power supply won't be short.
Ideal transistors can conduct or block quickly, however, triodes switch speed is limited, not to say the large power tube. When the changing signal which is put in the tube is reversed, the 2 tubes may be conducting at the same time. (View)
View full Circuit Diagram | Comments | Reading(4109)
Published:2011/8/14 7:43:00 Author:Michel | Keyword: Electrolyte Density, Charging Degree, Beijing Cherokee, Relationship Circuit
First,storage battery maintenance
The storage battery needs be charged when the discharging degree is over 25%.The relationship between standard density and the charging condition is shown as table.Table:Relationship between Electrolyte Density and Charging Degree
We need to judge whehter the battery can be used by measuring the voltage of current discharging end when it does not start very well.The battery should be fully charged when it is inspected.For 58一475 battery,it needs to keep 240A discharging current and the battery is good and can be used after being charged if the voltage is not less than 9.6V.Otherwise,the battery should be replaced.The domestic 6一QA一60 battery can be used if there is no original battery. (View)
View full Circuit Diagram | Comments | Reading(767)
Published:2011/7/23 7:39:00 Author:Michel
The above picture is charging power failure alarm circuit.When there is AC 220V voltage,VD1, VD2 and R1, R2 generate opposite phase,VT1 stops and H lamp does not spark.When AC is cut,battery voltage is used as power supply,VT1 is added to offset voltage via VD4 and R3.At the moment,VT1 conducts,lamp H sparks,which stands by that AC power is in power failure condition.The AC is turned on,VS2 conducts and power charges the battery.if the charging is finished,C1 is charged and provides gate triggering signal for VS1 and VS1 conducts and VS2 stops at the time.If the circuit is off,VT1 conducts lamp H sends out warning signal. (View)
View full Circuit Diagram | Comments | Reading(1641)
Published:2011/8/24 20:58:00 Author:Christina | Keyword: Infrared, photoelectric type, automatic faucet
The Infrared photoelectric type automatic faucet is as shown in the figure.
(View)
View full Circuit Diagram | Comments | Reading(1083)
Published:2011/7/26 1:38:00 Author:Michel | Keyword: Benchmark, Voltage Source Circuit



The picture is four independent benchmark voltage source circuit of LMl39.In the circuit,VD1 is used to generate benchmark voltage and comparator LM139 is the adjustable phase amplifier of four independent gains.RP1~RP4 are used to regulate the output voltage and the adjustable range is UZ≤UO≤UCC.In the formula,Uz is voltage regulating voltage of VD1 and R2~R5 are boost resistance of R2~R5 output ends.The current amplification transistor is connected to A1~A4 output ends if the output voltage is increased. (View)
View full Circuit Diagram | Comments | Reading(843)
Published:2011/8/11 8:15:00 Author:Felicity | Keyword: Voltage-controlled, Gain Amplifier
View full Circuit Diagram | Comments | Reading(1341)
Published:2011/8/11 8:12:00 Author:Felicity | Keyword: Extremely Wideband, High-current, Buffer
View full Circuit Diagram | Comments | Reading(974)
Published:2011/8/11 8:08:00 Author:Felicity | Keyword: 12MHz, Broadband Buffer
View full Circuit Diagram | Comments | Reading(752)
Published:2011/8/11 7:44:00 Author:Felicity | Keyword: Integrated Amplifier, High Input Impedance
View full Circuit Diagram | Comments | Reading(752)
Published:2011/8/11 7:55:00 Author:Felicity | Keyword: High-speed, Inverting Amplifier
View full Circuit Diagram | Comments | Reading(823)
Published:2011/8/13 2:16:00 Author:qqtang | Keyword: blind source device
View full Circuit Diagram | Comments | Reading(840)
Published:2011/8/13 2:24:00 Author:qqtang | Keyword: blind source device
The blind always takes a stick to help them avoid obstacles when they are out of homes. As the stick can't be too long, the distance is limited. By installing a micro ultrasonic probe in the stick, not only the probing efficiency and distance can be raised, but also it's convenient to use. In the figure is the blind source device of ultrasonic probe, whose circuit is shown there. The circuit consists of the ultrasonic emitter, ultrasonic receiver and signal voltage amplifier, ultrasonic detection circuit and alarm sound circuit. (View)
View full Circuit Diagram | Comments | Reading(1879)
Published:2011/8/25 20:11:00 Author:TaoXi | Keyword: AM, frequency conversion, FM, intermediate frequency, amplifier, integrated circuit



The AN366 and AN366P are designed as the AM frequency conversion, FM AM intermediate frequency amplifier integrated circuit that is produced by the Panasonic company, and this device can be used in the radio and home stereo system. The two kinds of IC have the same functions, the difference between them is the electric parameters.
1.The internal circuit block diagram and pin functions of the AN366P
The AN366P has the FM system and the AM system, the FM and AM intermediate frequency amplifier can be connected with the ceramic filter; the detection-wave output levels of the FM and AM are the same. This IC uses the dual-row DIP package, the internal circuit block diagram is as shown in figure 1-12, the pin functions and data are as shown in table 1-1.
(View)
View full Circuit Diagram | Comments | Reading(2370)
Published:2011/8/13 2:55:00 Author:qqtang | Keyword: high precision, device amplifier
In the figure is the high precision and impedance device amplifier composed of OPA2111. The voltage of the figured circuit can be magnified to Av=10*(1+2R2/R1)=1000. The rear stage is fixed with a difference amplifier circuit whose gain is 10 times, which can expand the input common mode voltage range to ±10V. (View)
View full Circuit Diagram | Comments | Reading(770)
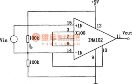
Published:2011/8/23 22:40:00 Author:qqtang | Keyword: equipment amplifier, common mode range
In the figure is the equipment amplifier with the function of expanding common mode range. In the circuit, A1, A2 and A4 are composed of the high-precision equipment amplifier INA10 or INA102. Seeing from the figure, the magnifying multiple of A1, A2 and A3 is 100, the rear stage amplifier is a high-precision unit gain amplifier INA105, the connection method of the amplifier is non-inverting input and follower output, i.e the 4 resistors in the circuit are in parallel connection respectively. In figure (b) is the internal structure of INA101. (View)
View full Circuit Diagram | Comments | Reading(746)
Published:2011/8/13 3:00:00 Author:qqtang | Keyword: single main power, low consumption, device amplifier
View full Circuit Diagram | Comments | Reading(692)
Published:2011/8/13 3:08:00 Author:qqtang | Keyword: instrument amplifier, floating signal source
View full Circuit Diagram | Comments | Reading(766)
Published:2011/8/13 2:04:00 Author:qqtang | Keyword: data collecting system
View full Circuit Diagram | Comments | Reading(716)
Published:2011/8/23 22:38:00 Author:qqtang | Keyword: micro-computer, data collecting system
The micro-computer data collecting system circuit composed of AD570, AD1408 and micro-processor CPU8155 is shown in the figure. The circuit under test has 8 channels, each channel is tested in sequence, the scanning of each channel is not more than 50μs, the system logic LEV is TTL, binary system code, the data transmission is parallel.
(View)
View full Circuit Diagram | Comments | Reading(978)
| Pages:60/250 At 204142434445464748495051525354555657585960Under 20 |