Published:2009/7/19 21:33:00 Author:Jessie
Unity-gain feed toward amplifier using an MC1539 op amp (courtesy Motorola Semiconductor Products Inc.). (View)
View full Circuit Diagram | Comments | Reading(607)
Published:2009/7/19 21:33:00 Author:Jessie
Summing amplifier using an MC1539 op amp (courtesy Motorola Semiconductor Products Inc.). (View)
View full Circuit Diagram | Comments | Reading(698)
Published:2009/7/19 21:32:00 Author:Jessie
Unity-gain operational amplifier. With the compensation shown a unity-gain frequency of approximately 10 MHz to 12 MHz results (courtesy Analog Devices, Inc.). (View)
View full Circuit Diagram | Comments | Reading(692)
Published:2009/7/19 21:31:00 Author:Jessie
Inverting-only composite op amp (courtesy Burr-Brown Research Corporation). (View)
View full Circuit Diagram | Comments | Reading(781)
Published:2009/7/19 21:30:00 Author:Jessie
Two pole frequency compensation circuit using an AD101A/201A/301A op amp.Typical supply voltage is ±15 volts (courtesy Analog Devices, Inc.). (View)
View full Circuit Diagram | Comments | Reading(724)
Published:2009/7/19 21:28:00 Author:Jessie
Clipping amplifier using an ECG941/941D/941M operational amplifier. Typical supply voltage is±15 volts (courtesy GTE Sylvania Incorporated). (View)
View full Circuit Diagram | Comments | Reading(694)
Published:2009/7/19 21:28:00 Author:Jessie
Differential-input composite op amp (courtesy Burr-Brown Research Corporation). (View)
View full Circuit Diagram | Comments | Reading(721)
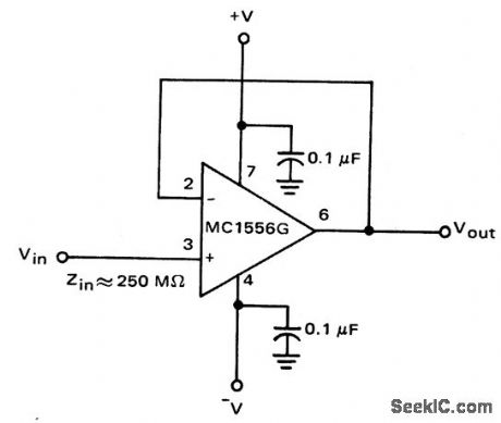
Published:2009/7/19 21:26:00 Author:Jessie
Voltage follower using an MC1556 op amp (courtesy Motorola Semiconductor Products Inc.). (View)
View full Circuit Diagram | Comments | Reading(870)
Published:2009/7/19 21:25:00 Author:Jessie
Noninverting amplifier using half of an ECG947 dual operational amplifier. The ECG947 is short-circuit protected and requires no external components for frequency compensation (courtesy GTE Sylvania Incorporated). (View)
View full Circuit Diagram | Comments | Reading(610)
Published:2009/7/19 21:24:00 Author:Jessie
General-purpose operational amplifier with closed-loop gain greater than 10. Typical supply voltage is ±15 volts (courtesy Analog Devices, Inc.). (View)
View full Circuit Diagram | Comments | Reading(642)
Published:2009/7/19 21:23:00 Author:Jessie
Instrument amplifier using an AD521 op amp. Typical supply is±15 volts (courtesy Analog Devices, Inc.). (View)
View full Circuit Diagram | Comments | Reading(893)
Published:2009/7/19 21:22:00 Author:Jessie
Op amp with high bandwidth using an AD5188-pin TO99, Bandwidth is nearly 25MHz with the feed forward technique shown(courtesy Analog Devices, Inc.). (View)
View full Circuit Diagram | Comments | Reading(600)
Published:2009/7/19 21:22:00 Author:Jessie
Instrumentation amplifier using two AD5108-pin TO99 op amps.As shown the gain is 10. By adding R5 the gain will increase. For a gain of 10 the frequency response is down 3 dB at 500 kHz. Full output of ±10 volts can be attained up to 1800 hertz(courtesy Analog Devices, Inc.). (View)
View full Circuit Diagram | Comments | Reading(562)
Published:2009/7/19 21:20:00 Author:Jessie
Unity-gain voltage follower using half of an ECG947 dual operational amplifier. The ECG947 is short-circuit protected and requires no external components for frequency compensation (courtesy GTE Sylvania Incorporated). (View)
View full Circuit Diagram | Comments | Reading(524)
Published:2009/7/19 21:17:00 Author:Jessie
Voltage follower using an MC1539 op amp with unity-gain compensation (courtesy Motorola Semiconductor Products Inc.). (View)
View full Circuit Diagram | Comments | Reading(636)
Published:2009/7/19 21:16:00 Author:Jessie
Unity-gain voltage follower using an ECG941/941D/941M operational amplifier. Typical supply voltage is ±1 5 volts(courtesy GTE Sylvania Incorporated). (View)
View full Circuit Diagram | Comments | Reading(680)
Published:2009/7/19 21:14:00 Author:Jessie



Op amp with minimum settling time using an AD518 8-pin TO99 (courtesy Analog Devices, Inc.). (View)
View full Circuit Diagram | Comments | Reading(766)
Published:2009/7/19 21:13:00 Author:Jessie
Low-drift low-noise amplifier using an ECG941/941D/941M operational amplifier and a μA727B temperature controlled differential amplifier. Typical supply voltage is ±15 volts (courtesy GTE Sylvania Incorporated). (View)
View full Circuit Diagram | Comments | Reading(465)
Published:2009/7/19 21:12:00 Author:Jessie
Unity-gain op amp using an AD5098-pin 7099 (courtesy Analog Devices, Inc.). (View)
View full Circuit Diagram | Comments | Reading(529)
Published:2009/7/19 21:11:00 Author:Jessie
Noninverting amplifier using an ECG941/941D/941M operational amplifier. Typical supply voltage is ±15 volts (courtesy GTE Sylvania Incorporated). (View)
View full Circuit Diagram | Comments | Reading(632)
| Pages:92/250 At 2081828384858687888990919293949596979899100Under 20 |