Published:2009/6/30 2:16:00 Author:May | From:SeekIC

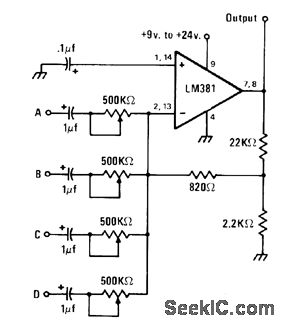
Combines AF signals from one to four sources into single audio signal for input of LM381 opamp that serves also as preamp. Shield mixer circuit and use shielded cable for all input leads to avoid pickup of 60-Hz field by high-gain opamp. Increasing supply voltagefrom minimum of 9V boosts outputsig-nal voltage.-J. A Sandier, 9 Easyto Build Projects under $9, Modern Electronics, July 1978, p 53-56.
Reprinted Url Of This Article:
http://www.seekic.com/circuit_diagram/Audio_Circuit/Mixer/FOUR_CHANNEL_MIXER_1.html
Print this Page | Comments | Reading(3)
Code: